Nohy odstavné – Komplet

21 653,24  bez DPH

26 200,42  s DPH

📦 Dodání obvykle do 4 týdnů.
🕒 Aktualizováno: 07.11.2025 14:06
Katalogové číslo: 137837 Kategorie: , , , , ,
Popis

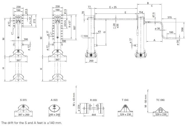
900/560, Modul B, Jost

Měrná jednotka: sad

Hmotnost: kg