Točnice/dráha kuličková pod královský čep pro natáčecí podvozek
50 902,33 Kč bez DPH
61 591,82 Kč s DPH
Popis
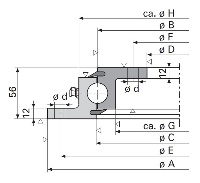
E 820, F 662, H58, 120kN, vrtání horní 18×115, spodní 12×212, Tridec, Jost
Měrná jednotka: ks
Hmotnost: 45.0 kg
Zkratky
| Některé používané zkratky popisu položek v eshopu POPELKA Servis s.r.o.: | |||||||
| Poznámky: | Tyto zkratky platí pouze pokud u položky není na vyobrazení (fotce) označená zkratka nebo znak pro daný rozměr. Vždy má nadřazenost rozměrový obrázek eventuálně konkrétní popis u dané položky! | ||||||
| Otazník (?) použitý ve zkratce nahrazuje možnou číslici. | |||||||
| OPS | opravárenská sada | ||||||
| L | délka celková [mm] | ||||||
| Lu | délka užitná [mm] | ||||||
| H | výška, hloubka [mm] | ||||||
| Hs | výška vnitřní (světlá) [mm] | ||||||
| Hu | výška užitná [mm] | ||||||
| S | šířka [mm] | ||||||
| Js | šířka vnitřní (světlá)[mm] | ||||||
| D | průměr vnější (další míry oddělené lomítkem jsou průměry měřitelné od tohoto průměru menší), (další míry oddělené písmenem „x“ jsou délky) [mm] | ||||||
| d | průměr vnitřní, někdy může být použitý i nejmenší vnější (další míry oddělené lomítkem jsou průměry měřitelné od tohoto průměru větší), (další míry oddělené písmenem „x“ jsou délky) [mm] | ||||||
| Dn | průměr průtokový [mm] | ||||||
| Zn | povrchová úprava zinkováním galvanickým nebo žárovým, bez přesného určení | ||||||
| ZnB | povrchová úprava galvanickým zinkem bílým (stříbrným) | ||||||
| ZnZ | povrchová úprava galvanickým zinkem žlutým (zlatým) | ||||||
| BP | bez povrchové úpravy | ||||||
| M | zpravidla metrický závit (může následovat další číslo oddělené písmenem „x“ to znamená buď stoupání závitu nebo již délku, mohou být uvedeny i obě hodnoty vždy odděleny „x“) | ||||||
| W | zpravidla whitwortův závit (může následovat další číslo oddělené písmenem „x“ to znamená buď stoupání závitu nebo již délku, mohou být uvedeny i obě hodnoty vždy odděleny „x“) [„] | ||||||
| Rd | oblý závit [„] | ||||||
| G?“ | trubkový závit [„] | ||||||
| R?“ | trubkový závit [„] | ||||||
| R | rozteč, rozměr od osy po osu [mm] | ||||||
| OV | obvod valivý [mm] | ||||||
| Pa | Tlak aktivační, otevírací [bar] | ||||||
| AL, Al | hliník | ||||||
| PP | přední pravý | ||||||
| PL | přední levý | ||||||
| ZP | zadní levý | ||||||
| ZL | zadní pravý | ||||||
| N | nosnost [kg] | ||||||
| M/M | zakončení typu matice na obou stranách, zpravidla u šroubení a hadic | ||||||
| M/Š | zakončení typu matice na jedné straně a šroub na druhé, zpravidla u šroubení a hadic | ||||||
| Š/M | zakončení typu matice na jedné straně a šroub na druhé, zpravidla u šroubení a hadic | ||||||
| Š/Š | zakončení typu šroub na obou stranách, zpravidla u šroubení a hadic | ||||||
| M/M/M | zakončení typu matice na všech koncích, zpravidla u šroubení | ||||||
| M/Š/M | zakončení typu matice na krajích, uprostřed typu šroub, zpravidla u šroubení | ||||||
| Š/M/M | zakončení typu matice uprostřed a na jednom kraji, na druhém kraji typu šroub, zpravidla u šroubení | ||||||
| M/M/Š | zakončení typu matice uprostřed a na jednom kraji, na druhém kraji typu šroub, zpravidla u šroubení | ||||||
| Š/Š/Š | zakončení typu šroub na všech koncích, zpravidla u šroubení | ||||||
| M/M/M/M | zakončení typu matice na všech koncích, zpravidla u šroubení | ||||||
| Š/M/M/M | zakončení typu matice na třech koncích, na jednom typu šroub, zpravidla u šroubení | ||||||
| M/Š/M/M | zakončení typu matice na třech koncích, na jednom typu šroub, zpravidla u šroubení | ||||||
| M/M/Š/M | zakončení typu matice na třech koncích, na jednom typu šroub, zpravidla u šroubení | ||||||
| M/M/M/Š | zakončení typu matice na třech koncích, na jednom typu šroub, zpravidla u šroubení | ||||||
| Š/Š/M/M | zakončení typu matice na dvou koncích vedle sebe, na dalších dvou vedle sebe typu šroub, zpravidla u šroubení | ||||||
| M/Š/Š/M | zakončení typu matice na dvou koncích vedle sebe, na dalších dvou vedle sebe typu šroub, zpravidla u šroubení | ||||||
| M/M/Š/Š | zakončení typu matice na dvou koncích vedle sebe, na dalších dvou vedle sebe typu šroub, zpravidla u šroubení | ||||||
| M/Š/Š/M | zakončení typu matice na dvou koncích vedle sebe, na dalších dvou vedle sebe typu šroub, zpravidla u šroubení | ||||||
| Š/M/M/Š | zakončení typu matice na dvou koncích vedle sebe, na dalších dvou vedle sebe typu šroub, zpravidla u šroubení | ||||||
| M/Š/M/Š | zakončení typu matice na dvou koncích naproti sebe, na dalších dvou naproti sebe typu šroub, zpravidla u šroubení | ||||||
| Š/M/Š/M | zakončení typu matice na dvou koncích naproti sebe, na dalších dvou naproti sebe typu šroub, zpravidla u šroubení | ||||||
| M/Š/Š/Š | zakončení typu šroub na třech koncích, na jednom typu matice, zpravidla u šroubení | ||||||
| Š/M/Š/Š | zakončení typu šroub na třech koncích, na jednom typu matice, zpravidla u šroubení | ||||||
| Š/Š/M/Š | zakončení typu šroub na třech koncích, na jednom typu matice, zpravidla u šroubení | ||||||
| Š/Š/Š/M | zakončení typu šroub na třech koncích, na jednom typu matice, zpravidla u šroubení | ||||||
| Š/Š/Š/Š | zakončení typu šroub na všech koncích, zpravidla u šroubení | ||||||
| K/K | zakončení má ve šroubení kužel na obou stranách, zpravidla u šroubení a hadic | ||||||
| K/0 | zakončení má ve šroubení na jedné straně kužel a na druhé rovné čelo, zpravidla u šroubení a hadic | ||||||
| 0/K | zakončení má ve šroubení na jedné straně kužel a na druhé rovné čelo, zpravidla u šroubení a hadic | ||||||
| 0/0 | zakončení má ve šroubení rovné čelo na obou stranách, zpravidla u šroubení a hadic | ||||||
| K/K/K | zakončení má ve šroubení kužel na všech koncích, zpravidla u šroubení | ||||||
| K/0/K | zakončení má ve šroubení kužel na krajích, uprostřed rovné čelo, zpravidla u šroubení | ||||||
| 0/K/K | zakončení má ve šroubení kužel uprostřed a na jednom kraji, na druhém kraji má rovné čelo, zpravidla u šroubení | ||||||
| K/K/0 | zakončení má ve šroubení kužel uprostřed a na jednom kraji, na druhém kraji má rovné čelo, zpravidla u šroubení | ||||||
| 0/0/0 | zakončení má ve šroubení rovné čelo na všech koncích, zpravidla u šroubení | ||||||
| K/K/K/K | zakončení má ve šroubení kužel na všech koncích, zpravidla u šroubení | ||||||
| 0/K/K/K | zakončení má ve šroubení kužel na třech koncích, na jednom rovné čelo, zpravidla u šroubení | ||||||
| K/0/K/K | zakončení má ve šroubení kužel na třech koncích, na jednom rovné čelo, zpravidla u šroubení | ||||||
| K/K/0/K | zakončení má ve šroubení kužel na třech koncích, na jednom rovné čelo, zpravidla u šroubení | ||||||
| K/K/K/0 | zakončení má ve šroubení kužel na třech koncích, na jednom rovné čelo, zpravidla u šroubení | ||||||
| 0/0/K/K | zakončení má ve šroubení kužel na dvou koncích vedle sebe, na dalších dvou vedle sebe rovné čelo, zpravidla u šroubení | ||||||
| K/0/0/K | zakončení má ve šroubení kužel na dvou koncích vedle sebe, na dalších dvou vedle sebe rovné čelo, zpravidla u šroubení | ||||||
| K/K/0/0 | zakončení má ve šroubení kužel na dvou koncích vedle sebe, na dalších dvou vedle sebe rovné čelo, zpravidla u šroubení | ||||||
| K/0/0/K | zakončení má ve šroubení kužel na dvou koncích vedle sebe, na dalších dvou vedle sebe rovné čelo, zpravidla u šroubení | ||||||
| 0/K/K/0 | zakončení má ve šroubení kužel na dvou koncích vedle sebe, na dalších dvou vedle sebe rovné čelo, zpravidla u šroubení | ||||||
| K/0/K/0 | zakončení má ve šroubení kužel na dvou koncích naproti sebe, na dalších dvou naproti sebe má rovné čelo, zpravidla u šroubení | ||||||
| 0/K/0/K | zakončení má ve šroubení kužel na dvou koncích naproti sebe, na dalších dvou naproti sebe má rovné čelo, zpravidla u šroubení | ||||||
| K/0/0/0 | zakončení má ve šroubení kužel na třech koncích, na jednom rovné čelo, zpravidla u šroubení | ||||||
| 0/K/0/0 | zakončení má ve šroubení kužel na třech koncích, na jednom rovné čelo, zpravidla u šroubení | ||||||
| 0/0/K/0 | zakončení má ve šroubení kužel na třech koncích, na jednom rovné čelo, zpravidla u šroubení | ||||||
| 0/0/0/K | zakončení má ve šroubení kužel na třech koncích, na jednom rovné čelo, zpravidla u šroubení | ||||||
| 0/0/0/0 | zakončení má ve šroubení rovné čelo na všech koncích, zpravidla u šroubení | ||||||
| T | délka těla | ||||||
| Dr | rozměr drážky [mm] | ||||||
| SW | rozměr pro uchycení montážního klíče [mm] | ||||||
| Z? | délka závitu nebo zdvihový rozsah (s číslem za značkou Z) [mm] | ||||||
| ?Z | počet zubů (s čílem před značkou Z) [počet kusů] | ||||||
| ?N | velikost síly [N] | ||||||
| Dd | průměr disku | ||||||
| Dz | půměr přes závit | ||||||
| HQ | TOP ověřená kvalita | ||||||
| >>>>>>>>>>>>>>>>>>>>>>>>>>>>>>>>>>> | |||||||
| Dále speciální zkratky pro určité oblasti: | |||||||
| Pero parabolické listové; Tažné rameno: | |||||||
| L(1) | vzdálenost mezi osou čepu uložení pera a osou středového čepu | ||||||
| L(2) | vzdálenost mezi osou středového čepu a osou vaku pérování (v případě tvaru XXX/XXX, první číslo platí pro vak BPW30 a druhé pro vak BPW36) | ||||||
| L(3) | vzdálenost mezi osou středového čepu a osou 1. díry pro uchycení vaku pérování | ||||||
| L(4) | vzdálenost mezi osou středového čepu a osou 2. díry pro uchycení vaku pérování | ||||||
| L(5) | vzdálenost mezi osou středového čepu a osou 3. díry pro uchycení vaku pérování | ||||||
| L(6) | vzdálenost mezi osou středového čepu a koncem pera u vaku pérování | ||||||
| B | šířka pera | ||||||
| H | výška pera v místě středového čepu komplet i s plechy (vše co musí středový čep stáhnout) | ||||||
| D | výška samotných listů per | ||||||
| K | u lomených per výška zlomu pera, (horní část lomeného listu pera v místě středového čepu po horní část lomené pera, kde přijde položit vak pérování) | ||||||
| BH | výška prohnutí pera, od osy čepu uložení pera po spodní část pera v místě středového čepu | ||||||
| d | průměr čepu uložení pera | ||||||
| V | osa vyhnutí pera do boku | ||||||
| Pero parabolické listové: | |||||||
| L | délka pera v celková v nezatíženém stavu | ||||||
| LK | délka pera v celková kopírující horní list | ||||||
| LK(1) | vzdálenost kopírující horní list mezi osou začátkem pera u kluzáku/čepu uložení pera a osou středového čepu | ||||||
| LK(2) | vzdálenost kopírující horní list mezi osou středového čepu a koncem pera u kluzáku/osou čepu uložení | ||||||
| L(1) | vzdálenost mezi osou začátkem pera u kluzáku/čepu uložení pera a osou středového čepu | ||||||
| L(2) | vzdálenost mezi osou středového čepu a koncem pera u kluzáku/osou čepu uložení | ||||||
| B | šířka pera | ||||||
| H | výška pera v místě středového čepu komplet i s plechy (vše co musí středový čep stáhnout) | ||||||
| D | výška samotných listů per u středového čepu | ||||||
| BH | výška prohnutí pera, od osy čepu uložení pera/horního listu ku kluzáku po spodní část pera v místě středového čepu | ||||||
| d | průměr čepu uložení pera | ||||||
| Svítilny a kryty svítilen (znaky pro kombinaci označení): | |||||||
| ?F | počet funkcí (komor) svítilny | ||||||
| P | poziční funkce svítilny | ||||||
| B | brzdová funkce svítilny | ||||||
| S | směrová funkce svítilny | ||||||
| Z | zpětná, couvací funkce svítilny | ||||||
| M | mlhová funkce svítilny | ||||||
| R | osvětlení registrační značky – funkce svítilny | ||||||
| O | obrysová funkce svítilny | ||||||
| Kabel spirálový/kroucený: | |||||||
| L | pracovní délka | ||||||
| C | průměr cívky | ||||||
| Z | počet závitů ve spirále | ||||||
| K | koncovka levá | ||||||
| M | koncovka pravá | ||||||












